Paumelles/Scharnieren rechts geponst

60140

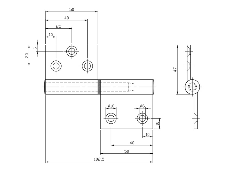
Scharnier voor een SPG loopdeur. Dit model is voor een rechtsdraaiende deur, van buitenaf gezien. 

Om te kunnen bestellen moet u ingelogd zijn.
Naar inloggen
Draairichting
Rechts (van buiten gezien)
Materiaal
Aluminium
Links/Rechts
Rechts